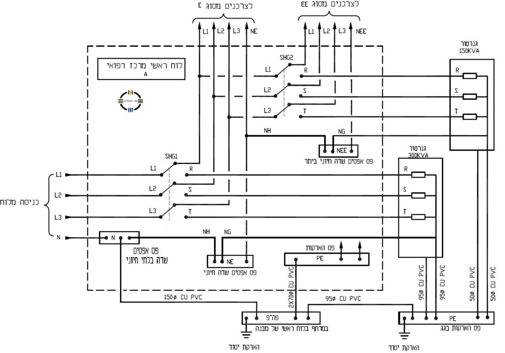
נתון שרטוט חשמלי של מתקן חיוני עם גנרטורים המותקנים על גג המבנה .
במרתף המבנה חדר חשמל ראשי עם הארקת יסוד ואיפוס איזו מבין האפשרויות הבאות מתארת נכונה את שיטת הגנה בפני חישמול?

תשובה 2
באספקה מהרשת בשיטת TN-C-S ואילו באספקה מהגנרטורים בשיטת TN-S התכנון אינו תקין
הסיבה:
בזמן חיבור המערכת לרשת חח"י פס האפסים שדה חיוני מחובר לפס אפסים בילתי חיוני אשר עליו מבוצע איפוס בתוך המבנה.TNCS
במעבר להזנת גנרטור פס האפסים החיוני מקוצר אל האדמה דרך נקודת הכוכב בפס הארקות בגג TNS
.חיבור הארקת השיטה מבוצעת ישירות לפה"פ ומבוצעת הארקת גוף הגנרטור.
כתוצאה מכך אנחנו מקבלים איפוס כפול.