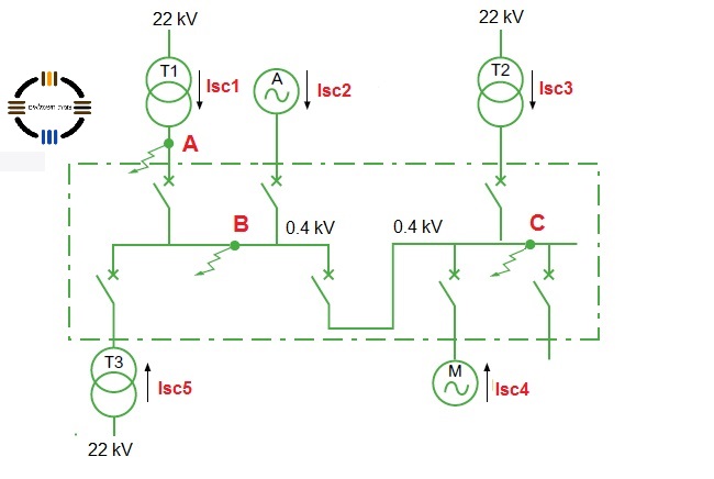
בשרטוט מופיעה רשת חשמל.
האותיות A , B , C מתארות נקודות שבהן התרחש קצר במערכת.
כאשר מתרחש קצר באחת מהנקודות : A,B,C , מתפתחים זרמי קצר : Isc1 ,Isc2 ,Isc3 ,Isc4 ,Isc5 בהנחה שזרמי הקצר שווים בגודלם וכל המפסקים זהים, כאשר המגשר פתוח, לאיזה זרם קצר צריך להתאים את כושר הניתוק של המפסקים?

תשובה 2 המפסקים צריכים להתאים לזרם קצר של – 2×𝐼𝑠𝑐 הסיבה:
יזרמו בנקודה A 2 זרמי קצר מאחר ו T1 נמצא " לפני" ההגנה.
יזרמו בנקודה B 3 אבל אין הגנה ולכן על כל מפסק זרם קצר 1
בנקודה C כנ"ל
סימוכין בקובץ המצורף עמוד 45.