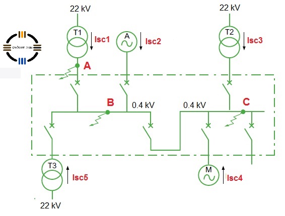
| בשרטוט מופיעה רשת חשמל. האותיות A , B , C מתארות נקודות שבהן התרחש קצר במערכת. כאשר מתרחש קצר באחת מהנקודות: A,B,C , מתפתחים זרמי קצר: Isc1 ,Isc2 ,Isc3 ,Isc4 ,Isc5 בהנחה שזרמי הקצר שווים בגודלם וכל המפסקים זהים, כאשר המגשר סגור, לאיזה זרם קצר צריך להתאים את כושר הניתוק של המפסקים |

תשובה 2 המפסקים צריכים להתאים לזרם קצר של – 4×𝐼𝑠𝑐 הסיבה: יזרמו בנקודה A 4 זרמי קצר מאחר ו T1 נמצא " לפני" ההגנה.
סימוכין בקובץ המצורף עמוד 45.