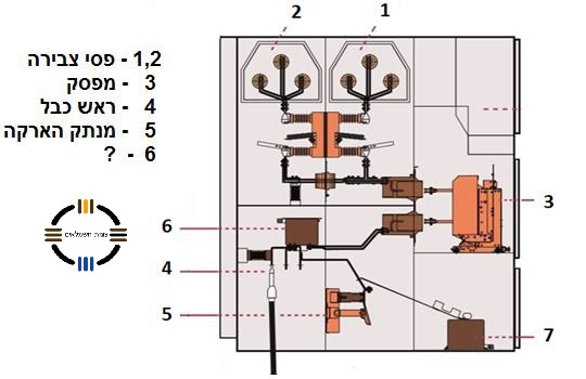
לפניך איור של לוח במתח גבוה. כל פריט ציוד המותקן בתא, מתואר על ידי מקרא. מהו הציוד המותקן במקרא 6

תשובה 2
משנה זרם
הסיבה:
עמוד 14 תיאור 10
https://www.schneider-electric.com/en/download/document/NRJED313574EN/
לפניך איור של לוח במתח גבוה. כל פריט ציוד המותקן בתא, מתואר על ידי מקרא. מהו הציוד המותקן במקרא 6

תשובה 2
משנה זרם
הסיבה:
עמוד 14 תיאור 10
https://www.schneider-electric.com/en/download/document/NRJED313574EN/
ברוך הבא ל"צומת חשמלאים" ע"פ
אנו מחוייבים לעדכן (בכל יום) בפופאפ על שימוש בקוקיז באתר.
קבצי טקסט המוצבים על המחשב במטרה לסייע לאתר לנתח כיצד המבקרים משתמשים באתר. האינפורמציה מועברת ונשמרת בשרתי גוגל.
גוגל משתמשת במידע זה כדי להעריך את השימוש שלך באתר, עריכת דוחות על פעילות האתר ועל השימוש באינטרנט בשביל מנהלי אתרים.
מבחינת מפעיל האתר המידע שנשמר הוא מינמילי וכולל את המייל ושם המשתמש, IP למעקב עבור סימולטור ההכנה לוועדה והשימוש בתגובות בפורום.