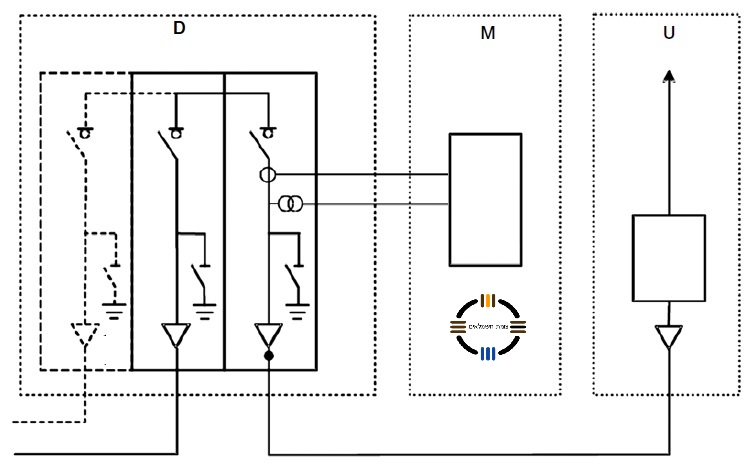
במפעל המוזן במתח גבוה, יש מסדר בחדר D כמתואר בשרטוט המצורף. אחד מהקווים מזין את מסדר המתח הגבוה של המפעל, הממוקם בחדר U מה מותקן במקרה הזה בחדר M

תשובה 3
מערכת למדידת האנרגיה החשמלית המסופקת למפעל
הסיבה:
עמוד 5
metering room (M): where the metering equipment is located. Both of these rooms must be accessible from a public road, to allow maintenance by authorized personnel regardless of whether the User is present