צומת חשמלאים

שאלה מספר 522

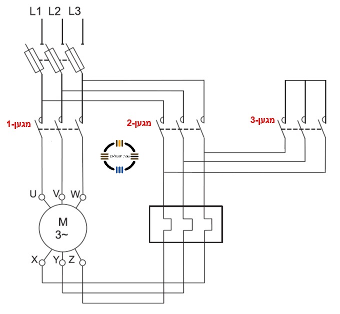
בתמונה מתוארים שני שלבים בחיבור סטטור של מנוע אסינכרוני, כחלק מהתנעה באמצעות
חיבור Δ / Y . המנוע מיועד לעבוד בחיבור משלוש בעבודה סדירה שבה המתח הוא: UL=400[V] מה גודל הזרם המתקבל בקו הזינה, בשל השימוש במתנע מסוג זה?

תשובה 2

באמצעות המתנע, הזרם בשלב ההתנעה קטן פי 3 מאשר בהתנעה ישירה

הסיבה:

חיבור הצד המשני בכוכב מקטין את מתח ההתנעה ב שורש 3 ואת זרם ההתנעה פי 3..

אולי יעניין אותך...

וועדות הפירושים אליהן קיימת התייחסות במאגר 7.1.

שלום חשמלאים יקרים, במשך הזמן אספתי את וועדות הפירושים אותם אנחנו פוגשים בהכנה למבחן ע"פ מאגר השאלות 7.1. שמח לסייע…

שאלה מספר 1000

קבלן חשמל מניח כבל בעל שטח חתך של 35 + 70 × 3 מדגם N2XBY(המופיע בתמונה), שקוטרו החיצוני הוא 29…

שאלה מספר 999

קבלן חשמל מניח כבל בעל שטח חתך של 240 × 4 מדגם NA2XY(כמופיע בתמונה) שקוטרו החיצוני הוא 65 מ"מ. הוראות…

כתיבת תגובה

error: תוכן זה מוגן

התחברות מנויים

ברוך הבא ל"צומת חשמלאים" ע"פ

תיקון 13 לחוק הגנת הפרטיות

אנו מחוייבים לעדכן (בכל יום) בפופאפ על שימוש בקוקיז באתר.

קבצי טקסט המוצבים על המחשב במטרה לסייע לאתר לנתח כיצד המבקרים משתמשים באתר. האינפורמציה מועברת ונשמרת בשרתי גוגל.

גוגל משתמשת במידע זה כדי להעריך את השימוש שלך באתר, עריכת דוחות על פעילות האתר ועל השימוש באינטרנט בשביל מנהלי אתרים.

מבחינת מפעיל האתר המידע שנשמר הוא מינמילי וכולל את המייל ושם המשתמש, IP למעקב עבור סימולטור ההכנה לוועדה והשימוש בתגובות בפורום.