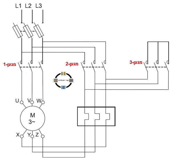
בתמונה מתוארת סכמה לחיבור סטטור של מנוע אסינכרוני, כחלק מהתנעה באמצעות חיבור Δ / Y בשלב הראשון נסגר מגען- 1 , מה סדר הפעולות של מגען- 2 ומגען- 3 בתהליך ההתנעה?

תשובה 4
בשלב ראשון מגען- 3 נסגר ובשלב שני מגען- 3 נפתח ומגען- 2 נסגר
הסיבה:
מגען 3 הוא חיבור כוכב.
סגירתו מאפשרת התנעה בזרם נמוך.
לאחר מכן נפתח המגען ונסגר מגען מס' 2 שהוא חיבור במשולש לזינה ומאפשר לניצול מלוא המומנט של המנוע.